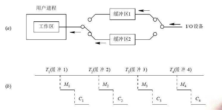
双输入单输出控制系统
*** 次数:1999998 已用完,请联系开发者***

双输入单输出控制系统的区别
科远智慧新注册《科远ICS800智能控制系统LVDT输入/伺服控制模件...证券之星消息,近日科远智慧(002380)新注册了3个项目的软件著作权,包括《科远ICS800智能控制系统LVDT输入/伺服控制模件嵌入式软件V3.0》、《科远ICS800智能控制系统电流输出模件嵌入式软件V3.0》、《科远ICS800智能控制系统位移/轴振/瓦振/偏心监视模件嵌入式软件V3.0》...
双输入单输出控制系统设计

双输入单输出控制方式
科远智慧新注册《科远ICS800智能控制系统热电偶输入模件嵌入式...证券之星消息,近日科远智慧(002380)新注册了4个项目的软件著作权,包括《科远ICS800智能控制系统热电偶输入模件嵌入式软件V3.0》、《科远ICS800智能控制系统数字量输出模件嵌入式软件V3.0》、《科远ICS800智能控制系统数字量输入模件嵌入式软件V3.0》、《科远ICS800智...
双输入单输出模块

双输入双输出控制模块
科远智慧新注册《科远ILC300控制系统模拟量输出模件嵌入式软件V...证券之星消息,近日科远智慧(002380)新注册了6个项目的软件著作权,包括《科远ILC300控制系统模拟量输出模件嵌入式软件V1.0》、《科远ILC300控制系统频率输入模件嵌入式软件V2.0》、《科远ILC300控制系统模拟量输入模件嵌入式软件V2.0》、《科远ILC300控制系统数字量输...
单输入输出模块和双输入双输出模块区别

双输入单输出系统传递函数
ˋωˊ ...专利授权:“一种安全继电器扩展电路、安全控制系统及ATE测试系统”安全控制系统及ATE测试系统”,专利申请号为CN202422242300.2,授权日为2025年7月4日。专利摘要:本申请提供了一种安全继电器扩展电路、安全控制系统及ATE测试系统,所述电路包括:安全继电器模块,具有双输入回路和至少一路输出回路;外部控制电路,用于对所述安全继电器模块...
多输入单输出控制系统

...专利授权:“一种基于分布式计算的预测控制方法、系统、设备及介质”专利名为“一种基于分布式计算的预测控制方法、系统、设备及介质”,专利申请号为CN202411803132.8,授权日为2025年3月25日。专利摘要:本发明涉及一种基于分布式计算的预测控制方法、系统、设备及介质,属于预测控制技术领域,该方法所应用的控制系统为多输入多输出系统,其...

●^● 沪宁股份获得发明专利授权:“一种用于安全装置与电梯控制系统连接...专利名为“一种用于安全装置与电梯控制系统连接的中继装置”,专利申请号为CN201910159434.9,授权日为2025年5月9日。专利摘要:本发明属于电梯设备技术领域,具体涉及一种用于安全装置与电梯控制系统连接的中继装置,包括电源输入接口、第一信号接口、电源输出接口及第二信...
˙0˙ 
...发明专利授权:“换向阀的控制方法、装置、程序产品和气缸控制系统”专利名为“换向阀的控制方法、装置、程序产品和气缸控制系统”,专利申请号为CN202411359847.9,授权日为2025年1月17日。专利摘要:本申请提供了一种换向阀的控制方法、装置、程序产品和气缸控制系统,该方法包括:设置多个输入功能模块和多个对应的输出功能模块,输入功能模...
+△+ 
...动力获得实用新型专利授权:“压缩空气储能工艺顶轴油泵控制系统”专利摘要:本实用新型属于油泵控制领域,具体涉及一种压缩空气储能工艺顶轴油泵控制系统。该系统包括入口过滤器、主油泵单元、备用油泵单元和输出测量单元;入口过滤器的输入端与外部的储油单元连接,输出端分别与主油泵单元和备用油泵单元的输入端连接;主油泵单元和备用油泵...

格力电器获得发明专利授权:“一种母线充电控制装置和电源系统”专利名为“一种母线充电控制装置和电源系统”,专利申请号为CN202011071418.3,授权日为2025年5月9日。专利摘要:本发明公开了一种母线充电控制装置和电源系统,该装置包括:整流单元,被配置为对输入的交流电进行整流后,输出直流电至母线;驱动信号产生单元,被配置为在控制电源...

防爆合格证后缀:标注X更规范,还是用U更准确?1、背景 随着现场总线的广泛应用,过程控制系统采用了越来越多的电源模块、远程IO模块和输入/输出模块等。这些模块通常需要安装于独立外壳中,并依据IEC 60079-0:2017Explosive atmospheres - Part 0: Equipment - General requirements和IEC 60079-7:2015Explosive atmospheres -...
ˋ▽ˊ 
飞飞加速器部分文章、数据、图片来自互联网,一切版权均归源网站或源作者所有。
如果侵犯了你的权益请来信告知删除。邮箱:xxxxxxx@qq.com
上一篇:双输入单输出控制系统
下一篇:猎豹加速器官网app